×

注意!页面内容来自https://www.zhihu.com/market/pub/119649576/manuscript/1193559044474982400,本站不储存任何内容,为了更好的阅读体验进行在线解析,若有广告出现,请及时反馈。若您觉得侵犯了您的利益,请通知我们进行删除,然后访问 原网页

6.1.4 ZX-921 型超外差式收音机的装调

6.1.4 ZX-921 型超外差式收音机的装调

1.ZX-921 型超外差式收音机电路原理

ZX-921 型套件为低压全硅管袖珍式八管超外差式收音机,外形尺寸为 150mm×78mm×38mm。本机具有造型新颖、结构简便、用电经济、灵敏度高、选择性好、音质清晰、放音宏亮等特点。该机电路设计简洁合理,且采用通用元器件,选材、装配、调试、维修都很方便。

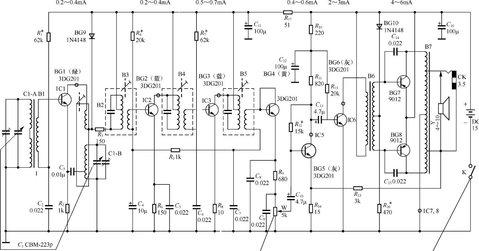
图 6-15 是 ZX-921 型超外差式收音机电路原理图(图 6-15 中无特殊标注的,电容单位为 µF,电阻单位为 Ω),图 6-16 是 ZX-921 型超外差式收音机的印制电路板图,表 6-2 为该型号收音机的元件清单。由上述电路图可见,ZX-921 型收音机包含 8 个三极管和 2 个二极管,其中 BG1 为变频三极管,BG2、BG3 为中频放大三极管,BG4 为检波三极管,BG5、BG6 组成阻容耦合式前置低频放大器,BG7、BG8 组成变压器耦合推挽低频功率放大器。该机的主要技术指标如下。

频率范围:中波 530~1605kHz;

中频:465kHz;

灵敏度:小于 1mV/m;

选择性:大于 16dB;

输出功率:56~140mW。

电源:1.5V(1.5V 干电池一节)

(1)调谐、变频电路

如图 6-15 所示,L1 从磁性天线(磁棒)上感应出的电台信号,经由 L1 和 C1-A 组成的输入调谐电路选择后,只剩下需要的电台信号,该信号耦合给 L2,并由 L2 送 BG1 的基极和发射极。

加载中...

图 6-15 ZX-921 型超外差式收音机电路原理图

由于调谐回路阻抗高,约为 100kΩ,三极管输入阻抗低,为 1~2kΩ,要使它们的阻抗匹配,使信号输出最大,就必须适当选择 L1 与 L2 的圈数比,一般取 L1 为 60~80 圈,L2 取 L1 的 1/10 左右。

加载中...

图 6-16 ZX-921 型超外差式收音机的印制电路板图

表 6-2 ZX-921 型超外差式收音机元件清单

加载中...

续表

加载中...

注:电阻器可用范围:R3,62~150Ω;R9,470~680Ω;R2,1~1.5kΩ;R15,3~5.1kΩ;R4、R13,18~22kΩ。

电容器可用范围:C3,6800pF~0.1μF;C14、C15,0.01~0.033μF;C10、C13,1~4.7μF;C4,4.7~10μF。

三极管β值分色点标记:黄 40~55 倍、绿 55~80 倍、蓝 80~120 倍、紫 120~180 倍、灰 180~270 倍、白 270~400 倍。

L1 和 L2 在磁棒的中间位置时,其电感量最大,但QQ为品质因数)值略低;在磁棒的端头位置电感量最小,但Q值最高。为了使天线线圈电感量较大并同时提高Q值,有的收音机的 L1 采用间绕和分段绕制。在统调时,如果 L2 被调在磁棒的中间位置时,才能使波段低端具有较高的灵敏度,那么就说明线圈的电感量不够,需要增加天线线圈的圈数;如果线圈被调到磁棒的端头位置,才能使波段低端具有较高的灵敏度,则需要减少线圈匝数。对应波段高端灵敏度调整,由于这时双连可变电容器动片已几乎全部旋出,每组电容量为几皮法至十几皮法,因此,并联于 C1-A(或称输入连)两端的微调电容器 C 与这时 C1-A 的电容量有相同的数量级,我们可以改变 C 电容量以改变输入回路的高端谐振频率,使之始终低于本机振荡频率 465kHz。所以微调电容 C 主要用于调整波段高端的接收灵敏度。相反,微调电容 C 对波段低端接收灵敏度的影响极小,这是因为在波段低端双连可变电容器 C1-A 几乎全部旋进,这时 C1-A 的电容量很大,约为 200µF,微调电容器 C 的电容量的变化对它来说便可忽略不计。

来自 L2 经输入调谐电路选择的信号电压一端接 BG1 的基极,另一端经 C2 旁路到地,再由地经本振回路 B2 次级下半绕组,然后由 C3 耦合送 BG1 的发射极。与此同时,来自本机振荡回路的本机振荡信号由本振线圈次级抽头 B2 输出,经电容 C3 耦合后注入 BG1 的发射极;本机振荡信号的另一端,即本振线圈次级另一端,经地由 C2 耦合到 L2 的一端,并经 L2 送 BG1 的基极。由于 L2 线圈只有几匝,电感量很少,它对本机振荡信号的感抗可忽略不计。因此,可认为由 C2 耦合的本振信号是直送 BG1 基极,这样在 BG1 三极管的发射结同时加有两个信号,它们的频率分别为ff。只要适当地调整 BG1 的上偏置电阻 R,使 BG1 的发射结工作在非线性区(这时对应 BG1 集电极电流IC为 0.2~0.4mA),则ff信号经 BG1 混频放大后将由集电极输出各种频率成分的信号。由 B3 中频变压器初级绕组与电容组成的 465kHz 并联谐振电路,选出 465kHz 中频信号,并将之经中频变压器耦合至次级绕组,输出送中频放大电路进行中频信号放大处理。在本机振荡回路中可变电容 C1-B(或简称振荡连)两端并接一个微调电容器,它的主要作用是调整收音机波段高端的覆盖范围,其功能与输入调谐回路中的电容一样。收音机波段低端的覆盖范围调整是调节 B2 本机振荡线圈的磁心,当将 B2 中的磁心越往下旋(用无感螺丝刀顺时针转动磁心),线圈的电感量就越大,这时本机振荡频率就越低,对应接收的信号频率也越低。

(2)中频放大电路

中频放大电路的主要任务是放大来自变频级的 465kHz 中频信号。收音机的灵敏度、选择性等技术指标主要取决于中频放大器,一般收音机的中频放大倍数要达到 1000 倍,因此,中放三极管的放大倍数取β=70 左右。β值不能取得太高,否则将引起中频放大器自激啸叫。在图 6-15 中,B3、B4 和 B5 分别是第一中频变压器、第二中频变压器和第三中频变压器,它们都是单调谐中频变压器,初级绕组分别与各自电容器组成并联谐振电路,谐振频率为 465kHz。在电路中它们主要起选频、中频信号耦合和阻抗匹配作用。

来自变频三极管 BG1 集电极的中频信号,经 B3 选频后,由 B3 次级绕组输出,一端经电容 C4、C5 后送往 BG2 的发射极,另一端送往 BG2 的基极。该信号经 BG2 放大后由集电极输出,并再经 B4 选频进一步滤除非中频信号后由 B4 次级绕组耦合输出:同样,B4 输出的中频信号一端送往 BG3 的基极,另一端经 C6、R8 后送往 BG3 的发射极,中频信号经 BG3 再一次放大后由集电极输出送往 B5 中频变压器。来自 BG3 集电极已经过两级中频放大的中频信号,经 B5 再一次选频后,由 B5 次级绕组输出,送往检波电路进行解调处理。在上述的两级中频放大电路中,各极工作状态的确定要考虑到不同的需要。

(3)检波器及自动增益控制电路

在图 6-15 中,检波电路主要由检波三极管 BG4、滤波电容 C8 和检波电阻 R9、W 组成。来自 B5 次级经中频放大器放大的中频信号送往三极管 BG4 的基极和发射极,发射结相当于二极管,检波后输出信号的变化规律和高频调幅波包络线基本一致。

收音机的检波输出音频信号强度也能自动地在一定范围内保持不变。

(4)低频前置放大与功率放大电路

如图 6-15 所示,来自音量电位器 W 中心滑片的音频信号,经 C10 耦合到 BG5 的基极,通过由 BG5、BG6 组成的阻容耦合低频前置放大器放大后,由 BG6 集电极送往输入变压器 B6 的初级。为了保证前置放大器有较大的功率增益和较小的失真,取 BG6 的集电极静态工作电流为 2~3mA。来自 BG6 集电极的音频信号经输入变压器阻抗变换后,耦合输出两组相位差互为 180° 的音频信号,然后分别送往 BG7、BG8 的基极和发射极,BG7、BG8 组成变压器耦合推挽低频功率放大器。由于电路上下是完全对称的,来自输入变压器的音频信号,经 BG7、BG8 功率放大后送往喇叭。在图 6-15 中,R15 是交流负反馈电阻,其作用是改善低频放大器的音质。

2.安装前的准备

(1)印制电路板上元件排列应注意的问题

① 磁性天线要水平安装在整机的上端,不能竖直放。磁棒周围不要放置大型的金属元件。

② 磁性天线与振荡线圈要互相垂直,否则会引起两种线圈不必要的耦合,影响收音机的性能。

③ 喇叭要装在机壳上,不要固定在印制电路板上,否则容易引起高频机振。电位器、双连可变电容器和磁棒通常都是固定在印制电路板上,其中磁棒必须采用非金属支架固定,例如采用尼龙塑料支架。

最低 0.3 元/天开通会员,查看完整内容